本系列濾清器設有旁通閥、濾芯污染堵塞發訊器等裝置,可以有效的觀察濾芯使用情況,避免出現吸真空現象。
特點:設計新穎、安裝方便、通油能力大、阻力小,清洗或更換濾芯方便等優點。"
| 產品型號 | 工作流量L/min | 工作壓力MPa | 爆破壓力MPa |
允許壓力損失MPa |
工作溫度℃ |
過濾介質 |
旁通閥開啟壓力MPa |
| XYL-11 | 100 | 0.7 | 2 | 0.01 | -10~100 | N100或N100D傳動液壓兩用油 | -0.03 |
| XYL-14 | 50 | 0.7 | 2 | 0.01 | -10~100 | N100傳動液壓兩用油 | -0.03 |
| XYL-15 | 100 | 0.7 | 2 | 0.01 | -10~100 | 雪佛龍多功能液壓傳動油(YTDH) | -0.03 |
注:我公司可根據客戶要求為其定做產品。
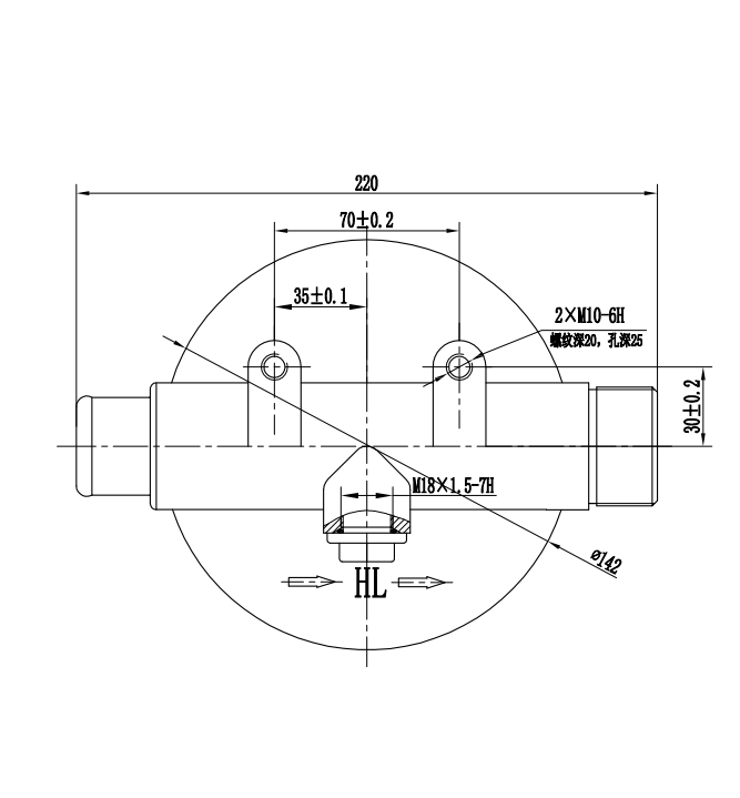
XYL系列吸油濾清器外形尺寸:


本文網址:http://www.bldg-materials.cn/chanpin/nongye/yeyaguolv/7.html
關鍵詞:
上一篇:TF系列箱外自封式吸油過濾器
下一篇:高壓濾油器